Tehisaru kui leiutaja tööriist: kuidas seda targalt kasutada?
Tehisintellekti rakendamine kõikvõimalikes valdkondades on olnud viimaste aastate suur edulugu. Ka leiutajad püüavad seda oma kasuks tööle panna. Tehisaru toimimise köögipool jääb aga enamusele saladuseks, mistõttu kiputakse selle võimeid ülehindama kahes olulises leiutamisetapis: tehnika taseme otsingul ja uute tehniliste lahenduste väljatöötamisel.
Kuidas tehisaru abiga leida infot oma leiutisega sarnaste lahenduste kohta?
Patendiandmebaasides on üle maailma enam kui 200 miljonit teabeallikat, millele lisandub veelgi suurem hulk teadus- ja muid publikatsioone. Tundub, et orienteerumine sellises infodžunglis on täiesti võimatu. Tehisaru pakub lihtsat ja tõhusat alternatiivi, kuid ainult siis, kui seda õigesti kasutada.
Prompti koostamisel ära nimeta tehnilisi tunnuseid, mis võivad sinu leiutise reeta.
Patendieksperdid ja -volinikud kasutavad otsinguks erinevaid vahendeid, patendiklassifikatsiooni ja otsingumetoodikaid ning pikem töökogemus annab neile selles eelise. Iga leiutaja ei saa aga olla kursis kõigi võimalustega ja võib appi võtta tehisarurakendused. Näiteks, kui ei teata tehnikavaldkonna õigeid termineid, saab promptis ehk viibas kirjeldada ainult leiutise kasutusvaldkondi ja funktsioone. Kirjeldada saab ka leiutise eesmärki või seda, milleks teavet vajatakse ja kes on otsija (otsing annab erinevaid tulemusi, kui otsija ütleb, et ta on asjaarmastaja, teadlane, leiutaja, ametnik vm). Tehisarule saab anda ka juhiseid, millises mahus ja vormis ta peaks teavet esitama jne.
Prompti koostamisel peab aga leiutaja hindama, millised tehnilised tunnused on just tema leiutises kriitilised ja võivad selle reeta. Kindlasti ei tohiks kasutada leiutise unikaalseid märksõnu (tunnuseid), eriti aga kõiki leiutise olulisi tunnuseid koos. Enamik TI rakendusi ei taga päringute salastatust ja neis sisalduv teave võib sattuda teiste kasutajate kätte.
Viibas võib siiski koos üldiste juhistega kasutada ka mõnda täpsemat tehnilist tunnust, nagu protsessor, transistor, CMOS vm, mis on üldlevinud paljudes rakendustes. Need ei reeda tehnilist lahendust ennast, sest ei viita ühelegi kindlale lahendusele. Päringu eesmärk peaks seejuures olema leida ainult teabeallikad, mitte provotseerida tehisaru tehnika taset välja mõtlema. Allikate hulgast tuleks hiljem ise oma leiutisega sarnased lahendused välja valida.
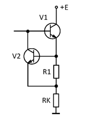
Vaatame, kuidas ChatGPT selle ülesandega hakkama saab ja võtame leiutiseks lihtsa skeemilahenduse. See on transistori voolu piiramislülitus lisatransistori abil.

Promptis kasutasin hästi üldist päringut „leida 10 teabeallikat transistorastme voolu piiramise skeemilahenduste kohta“. Kohe esimese katsega sain tulemuseks Jim Williamsi 1990. a teadusartikli „Seemingly Simple Circuits: Circuit 1, Primitive One-BJT Current Limiter“, mis sisaldas täpselt sama skeemi.
Sama päring ChatGPT-le käsklusega, et see joonistaks ise välja elektriskeemi, ei andnud aga midagi sarnast.

Kuidas mõelda välja uusi lahendusi tehisaru abiga?
Tehisaru abi otstarbekus leiutamisel sõltub otseselt kasutaja enda teadmiste tasemest. Kerge huumoriga võib öelda, et tehisaru abistab ainult neid, kes on leiutaja tiitli ise auga välja teeninud. Mida lihtsameelsem viip, seda sisutum on tulemus.
Kui kasutad tehisaru leiutise välja mõtlemisel, pead valdkonnas tehisarust targem olema.
Siiski võib tehisaru ka väga struktureeritud ja sisuka viiba korral teha jämedaid vigu. See tähendab, et kasutaja peab alati tehisarust üle olema ja suutma eristada, mis on õige, mis väär. Kui seda oskust napib, ei pruugi tehisarust palju abi olla.
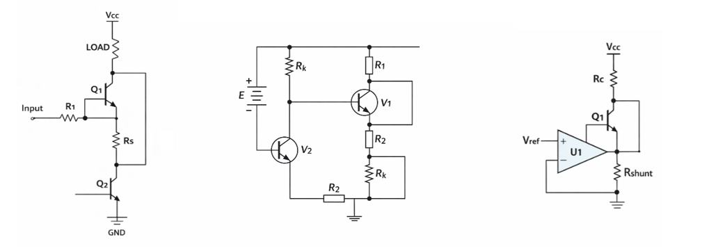
Toon ühe näite, kasutades juba kirjeldatud skeemilahendust. Lasin ChatGPT-l koostada elektroonikaskeemi, mis piiraks transistorastme voolu. Proovisin mitmeid viipasid ja sain palju tulemusi, millest algset skeemi meenutasid vähegi vaid kolm:

Elektroonikat tundev vaataja saab aga aru, et needki ei ole tegelikult rakendatavad: neis on lühistatud transitore, detailid on valesti pingestatud jne. Kui tehisaru kasutaja ei oska tulemust kriitiliselt hinnata, toodab ta ainult müra, mida leiutisena kaitsta ei saa. Patendiga kaitstav leiutis peab olema reaalsuses teostatav, sest vastasel juhul lükkab Patendiamet leiutistaotluse tagasi.
Selle näite puhul võib leiutaja jätkata suhtlust tehisaruga ja juhendada teda edasi, aga sisuliselt tähendab see, et inimene peab lõpuks leiutise ikkagi ise otsast lõpuni välja mõtlema.

